澳嘉森立电气(浙江)有限公司
澳嘉森立电气(浙江)有限公司— 新能源电力设备供应商 —
全国咨询热线:13819771982(微信同号)

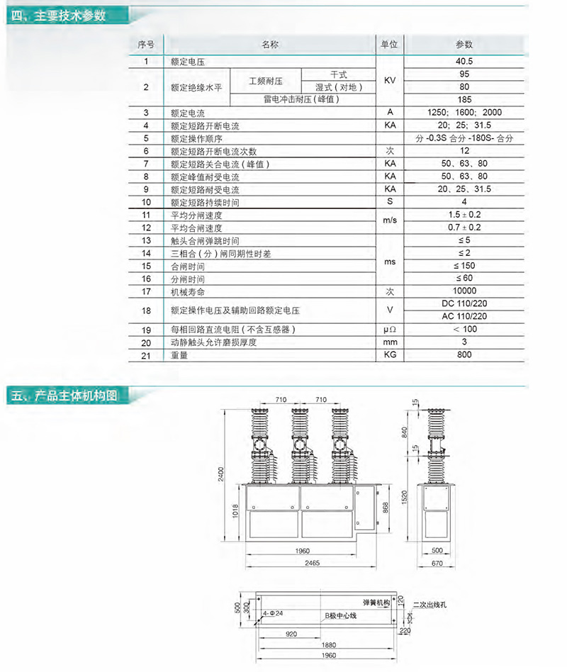
ZW7-40.5系列户外高压真空断路器

分类:高压真空断路器
电话:13819771982
地址:乐清市柳市镇方斗岩工业区

联系我们 全国热线
13819771982